电话:0359-2376161
邮箱:xhgsxsb@163.com
股票代码873580
中文版
English
股票代码873580
中文版
English
走进新环
公司简介
发展历程
组织架构
资质荣誉
企业网刊
新闻动态
新环动态
行业新闻
新环制造
汽车板块
新能源板块
工程支架
技术中心
加入新环
联系方式
人才招聘
首页
走进新环
新闻动态
新环制造
技术中心
加入新环
新环制造
PRODUCT
粉末冶金
减震器轴承
氟塑产品
改装车减震器
网站首页
>
关于我们
>
网站首页
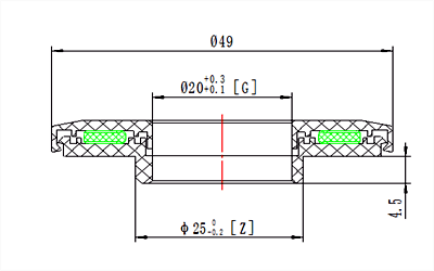
XHZC026